Установка внешнего «сухого контакта» для гибридного инвертора.
Сухой контакт инвертору требуется, как правило, для включения какого-либо внешнего оборудования. По сути, сухой контакт является сигналом для включения бензо-генератора или другого внешнего зарядного устройства.
В данном случае, в качестве сухого контакта, предлагается реле напряжения постоянного тока. Реле устанавливается на din-рейке ближайшего к батарее вашего инвертора электрощита или блока АВР.
Далее описана настройка реле на примере модели GEYA GRV8-02 AD48.

Заметим, что вовсе не обязателен именно этот производитель и данная модель. Главное, для правильной и безопасной зарядки батарей инвертора нам необходимы следующие функции реле:
-
Два независимых порога (Две уставки):
- U< (Нижнее напряжение, Undervoltage):Порог для ВКЛЮЧЕНИЯ (запуска генератора).
- U> (Верхнее напряжение, Overvoltage):Порог для ОТКЛЮЧЕНИЯ (остановки генератора).
Это именно тот «оконный» режим (windows mode), который нам нужен.
- Подходящий диапазон напряжений:Модель «AD48» рассчитана на номинальное напряжение 48V DC, а диапазон настройки покрывает все необходимые значения напряжения заряда батарей (40В — 60В).
- Четкая и понятная логика работы:Производитель прямо указывает, как оно работает. При падении напряжения ниже U< реле включает выход (замыкает контакты). При достижении напряжения выше U> реле выключает выход (размыкает контакты).

Рис.1. Панель управления Реле GEYA GRV8-02.
Как настраиваем:
- Установите параметр U< = 51.2 V . Это напряжение, при котором система даст команду «Запустить генератор!».
- Установите параметр U> = 54.6 V. Это напряжение, при котором система даст команду «Генератор, стоп!».
- Установите параметр T = 0. Это таймер задержки команд включения /выключения.
Установка этих параметров производится потенциометрами управления реле, см. Рис.1.
Почему именно эти напряжения, мы подробно рассматривали в статье Правильные напряжения заряда батареи LiFePO4 48В.
Всё! На этом настройка завершена. Реле будет автоматически управлять включением генератора в диапазоне надежной и долгой работы вашей батареи.
На что обратить внимание при подключении
(сверьтесь еще раз с инструкцией к реле):
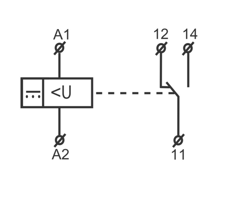
- Питание реле. Реле подключается непосредственно от верхних контактов реле A1–A2 непосредственно к клеммам вашей батареи 48В.
Строго соблюдать полярность!
Контакт A1+ и A2-. Подключаем А1+ к плюсу батареи, А2- к минусу аккумулятора. (См. Рис. 2).
2. Выходные контакты. Вам нужны будут нормально разомкнутые (NO) контакты этого реле 11-14. (см. Рис. 2, 3)
Именно их вы подключите к клеммам «Дистанционный запуск» (Remote Start) на вашем генераторе с функцией автозапуска.
3. Задержка. Установите таймер на минимально значение, чтобы реле срабатывало быстро. (См. Рис. 1).

Рис.2. Схема подключения питания А1+ и А2-

Рис.3. Схема подключения Реле GEYA GRV8-02.
Если Вам не удобно искать подходящее для вас решение на сайте, позвоните нам по тел. 8 800 777-03-47 или напишите нам в чат WhatsApp.
Энергонезависимости и чистой энергии нам с вами!
Команда FelicityESS

